Fahrzeuge vor Modellwechsel 1982 STABILISATOR AUS- UND EINBAUEN Stabilisator am Längslenker abbauen. Einbauhinweis: Mutter (1) soweit abziehen, bis das Maß (A) = 142 ± 2 mm beträgt. Kontermutter aufsetzen Anziehdrehmoment¹). ¹) Siehe technische Daten
| ![]() |
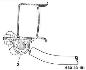
Stabilisator am Hinterachsträger abbauen. Einbauhinweis: Lagergummi (2) auf Verschleiß prüfen ggf. ersetzen. Die geschlitzte Seite des Gummis zeigt in Fahrtrichtung. Anziehdrehmoment¹). ¹) Siehe technische Daten
| ![]() |
¹) Siehe technische Daten
