| 
			 Fahrzeuge vor Modellwechsel 1982  HYDRO-LENKGETRIEBE ZERLEGEN UND ZUSAMMENBAUEN Das Lenkgetriebe sollte nur in Ausnahmefällen repariet werden. In der Regel ist das Lenkgetriebe zu ersetzen. Hydro-Lenkgetriebe aus- und einbauen 32 13 060. Lenkstockhebel: Sicherungsblech öffenen. Mutter lösen. Lenkstockhebel mit Abzieher 32 2 000 abziehen. Einbauhinweis: Anziehdrehmoment¹).  32 13 060  ¹) Siehe technische Daten |  | 
| 
			 Lenkstockhebel überprüfen: Maß A = 112,5 ± 0,5 mm Maß B = 26,0 mm |  | 
| 
			 Einbauhinweis: Markierung auf Lenkstockhebel und Segmentwelle müssen sich gegenüberstehen. |  | 
| 
			 Deckel-Druckpunkt: Deckel zum Gehäuse mit Körnerschlag (K) zeichnen. Mutter (1) abschrauben, dabei Schraube (2) gegenhalten. Befestigungsschrauben für Deckel lösen. Einbauhinweis: Anziehdrehmoment¹).  ¹) Siehe technische Daten |  | 
| 
			 Deckel durch rechtsdrehen der Nachstellschraube abheben. Einbauhinweis: O-Ring (3) im Deckel prüfen, ggf. ersetzen. Vor Befestigung des Deckels mit der Nachstellschraube Deckel zur Anlage bringen. |  | 
| 
			 Einbauhinweis: Mittelstellung der Schneckenwelle durch halbieren der Gesamtumdrehungen ermitteln. Schneckenwelle eine Umdrehung nach links drehen. Mit Aufsatz 32 1 000 und aufgebautem Reibwertmesser 00 2 000 nach rechts über Druckpunkt drehen und dabei Reibmoment¹) ablesen. Zur Einstellung Schneckenwelle 1 Umdrehung nach links drehen. Nachstellschraube (1) im Uhrzeigersinn so lange verdrehen, bis beim Überfahren des Druckpunktes das vorgeschriebene Reibmoment¹) erreicht ist.  ¹) Siehe technische Daten |  | 
| 
			 Segmentwelle: Segmentwelle in Mittelstellung herausziehen. Einbauhinweis: Kerbverzahnung mit Heißlagerfett füllen. Segmentwelle vorsichtig einführen, damit Radialdichtringe nicht beschädigt werden. |  | 
| 
			 Axialspiel¹) der Nachstellschraube prüfen, ggf. durch stärkere Scheibe (1) korrigieren. Nachstellschraube muß sich ohne klemmen drehen lassen. |  | 
| 
			 Seegerring (1) und Radialdichtring (2) ausheben. Nadellager (3) ausziehen. Nadellager (4) mit Stützscheibe (5) und Dichtring (6) austreiben. Einbauhinweis: Dichtlippen der Dichtringe (2 und 6) zeigen zum Gehäuse innen. |  | 
| 
			 Ventilgehäuse: Schutzkappe (1) abziehen und Ventilgehäuse abbauen. Einbauhinweis: Anziehdrehmoment¹). Damit Radialdichtung nicht beschädigt wird, Kerbverzahnung mit Tesafilm umwickeln.  ¹) Siehe technische Daten |  | 
| 
			 Kugellager abnehmen. Einbauhinweis: Dichtringe (1 ... 4) überprüfen, ggf. ersetzen. |  | 
| 
			 Nur bei Nadellager ersetzen: Lagerring (1) abdrücken. Doppelnadelkäfig (2) abstreifen. Einbauhinweis: Lagerring (1) mit dem Nadelkäfig (2) spielfrei einpassen. Dazu sind Nadelkäfige (2) in vier verschiedenen Abstufungen erhältlich. |  | 
| 
			 Zwischendeckel: Schnecke mit Zwischendeckel und Kolben aus Gehäuse ziehen. Einbauhinweis: Dichtringe (1 ... 4) überprüfen, ggf. ersetzen. |  | 
| 
			 Schnecke aus Kolben herausdrehen. Achtung! Kugeln. Zwischendeckel abnehmen. Sprengring (1) ausheben und Umlaufrohr (2) abnehmen. |  | 
| 
			 Nadelkäfig (1), Lagerscheibe (2), Nutring (3), O-Ring (4) und Teflonring (5) überprüfen. Einbauhinweis: Wahlweise 0 ... 4 Ausgleichscheiben (6) beilegen. Die Anzahl der Scheiben so auswählen, daß die Dichtlippe vom Nutring (3) Vorspannung hat. Das vorgeschriebene max. Reibmoment¹) darf nicht überschritten werden.  ¹) Siehe technische Daten |  | 
| 
			 Einbauhinweis: Ventilgehäuse ohne Radialdichtring, Schneckenkopf ohne Teflondichtringe, Zwischendeckel ohne O-Ring und Nutring mit Kugellager, Nadelkäfig (1) und Lagerscheibe (2) an Ventilgehäuse befestigen. |  | 
| 
			 Ventilgehäuse mit Zwischendeckel an Lenkgehäuse befestigen. Schrauben gleichmäßig mit vorgeschriebenem Drehmoment¹) anziehen. Reibmoment¹) der Schneckenlagerung mit der Lagerscheibe (2) einstellen. Lagerscheibe (2) gibt es in Abstufungen von hundertstel Millimeter.  ¹) Siehe technische Daten |  | 
| 
			 Vorspannung des Teflonringes im Zwischendeckel prüfen. Lagerscheibe und Nadelkäfig in den Zwischendeckel legen. O-Ring (1) und Teflonring (2) - A = 1,7 mm - in die Nut einlegen. |  | 
| 
			 Schneckenwelle in Zwischendeckel einsetzen. Aufsatz 32 1 000 befestigen und mit Reibwertmesser 00 2 000 in Senkrechtstellung vorgeschriebenes Reibmoment¹) ermitteln. Bei zu geringem Reibmoment stärkeren Teflonring einbauen. Achtung! Zwischendeckel nicht einspannen.  ¹) Siehe technische Daten |  | 
| 
			 Teflonring, Schneckenkopf, Kolben: Teflonringe (1 ... 4) mit einer Blattlehre aus Schneckenkopf und Kolben heben. O-Ring (5) herausnehmen. Einbauhinweis: Ausgebaute Ringe ersetzen. |  | 
| 
			 Gesamtreibmoment des Schneckenkopfes prüfen und einstellen: Teflonringe in Schneckenkopf und Radialdichtring in Ventilgehäuse engebaut. Teflonring (5) im Zwischendeckel eingebaut und Reibmoment ermitteln. O-Ring (4) und Nutring (3) - Dichtlippe zeigt zur Kolbenseite - mit dem vorher ausgebauten Ausgleichscheiben (6) einlegen. Schneckenkopf in Ventilgehäuse einbauen. Zwischendeckel mit Ventilgehäuse an Lenkgehäuse befestigen und Reibmoment ermitteln. Mit Ausgleichscheiben (6) Vorspannung des Nutringes (3) 10 Ncm höher als das vorher ermittelte Reibmoment im Zwischendeckel einstellen. Hinweis: Anziehdrehmoment¹).  ¹) Siehe technische Daten |  | 
| 
			 Kolben und Schnecke: Achtung! Die Ventilkolben (1) dürfen nicht ausgebaut werden. Nach einer Demontage würde die hydraulische Mitte, die über die Lenkspindel und den Drehstab genau eingestellt ist, nicht mehr stimmen. Einstellmaß für Lenkbegrenzungsventil prüfen. A = 107 - 0,20 mm |  | 
| 
			 Lenkbegrenzungsventil (15). |  | 
| 
			 Kurz vor Erreichen des Lenkanschlages muß das Lenkbegrenzungsventil öffnen. Anschlagschraube (2) so einstellen, daß 2 mm vor Spurstangenhebelanschlag das Lenkbegrenzungsventil öffnet. |  | 
| 
			 Schnecke in den Kolben einführen A = ca. 6 cm. Durch die vordere Bohrung 16 Kugeln einfüllen. Während des Einfüllens Schnecke nach innen drehen. |  | 
| 
			 7 Kugeln in das Umlaufrohr legen. Beide äußere Kugeln mit Fett befestigen. |  | 
| 
			 Umlaufrohr mit Sprengring befestigen. |  | 
| 
			 Schnecke ca. 3 1/2 Umdrehungen herausdrehen. Mit Aufsatz 32 1 000 und Reibwertmesser 00 2 000 in waagrechter Lage über einen Bereich von mindestens 90° Reibwert¹) ermitteln. Reibwert wird vom Kugeldurchmesser bestimmt. Achtung! Es dürfen nur Kugeln mit gleichen Durchmessern - Toleranzgruppen - verwendet werden. Nach erfolgter Reibwerteinstellung Schnecke ausbauen. Zwischendeckel einbauen und Schnecke mit Kolben zusammenbauen. Achtung! Schnecke niemals weiter als 3 1/2 Umdrehungen herausdrehen, sonst können Kugeln in die Kolbenbohrung fallen.  ¹) Siehe technische Daten |  | 
| 
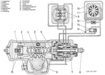
			 HYDROLENKUNG IN NEUTRALSTELLUNG 1 Lenkgehäuse 2 Kolben 3 Umlaufrohr 4 Kugeln 5 Schnecke 6 Segmentwelle 7 Drehstab 8 Lenkspindel 9 Ventilkolben 10 Kurvenring 11 Läufer 12 Überdruckventil 13 Druckbegrenzungsventil 14 Drosseleinsatz 15 Lenkbegrenzungsventil |  | 







