Fahrzeuge nach Modellwechsel 1982 DIEBSTAHLWARNANLAGE EINBAUEN Kabelverlegungsschema: 1 = Zusatzkabel Gepäckraumleuchte 2 = Zusatzkabel Codierschloß 3 = Zusatzkabel Steuergerät 4 = Zusatzkabel Frontklappenschalter/Signalhorn 5 = Zusatzkabel Kontrolleuchte 6 = Diode an Motorraumleuchte A = Steuergerät Diebstahlwarnanlage B = Signalhorn ab 5/82 bis 9/83 (entfällt bei Fahrzeugen mit Bordcomputer) B`= Signalhorn ab 9/83 (entfällt bei Fahrzeugen mit Bordcomputer) C = Leuchtdiode D = Codierschloß | ![]() |
Batterie am Minuspol abklemmen. Gepäckraumbodenmatte, Trennwand- und Gepäckraumverkleidung links herausnehmen. Klammern der Heckabschlußblechverkleidung ausheben und Verkleidung abnehmen. | ![]() |
Um eine Beschädigung des Lackes durch Bohrspäne zu vermeiden und eine bessere Anzeichnungsmöglichkeit für den Montagedurchbruch zu bekommen, Kreppband im Bereich der Bohrung anbringen. Hinweis: Nach Fertigstellung des Montagedurchbruches, Kreppband vorsichtig zur Bohrung hinabziehen, um mögliche Lackablösungen am Rande der Bohrung zu vermeiden. | ![]() |
Bohrungen (1 und 2) anreißen, körnen und mit 5 mm Bohrer vorbohren: A = 23 mm B = 174 mm C = 70 mm | ![]() |
Bohrungen (A und B) aufbohren, Montagedurchbruch nach Skizze auffeilen. A = Ø 30 mm B = Ø 13 mm Späne absaugen und Bohrung mit Zinkstaubfarbe bestreichen. | ![]() |
Codierschloß einbauen. Nase der Tellerfeder (2) muß in Aussparung (1) von Codierschloß ragen. Feder 83) muß umlaufend in Nut liegen. | ![]() |
Codierschloß (4) in Montagedurchbruch (3) einstecken und Blende (1) mit Unterlage (2) gegen das Codierschloß drücken, bis Blende (1) in Codierschloß einrastet. | ![]() |
Stecker (3) und Stecker (2 mit Tülle) vom Zusatzkabel an Codierschloß anstecken und mit Haltklammer (1) sichern. Zusatzkabel entlang dem Serien-Kabelbaum nach vorne verlegen. | ![]() |
Schrauben (1) und Kunststoffverschluß (2) lösen. | ![]() |
Halteband (1) verdrehen und aushängen. Werkzeugkasten abnehmen. | ![]() |
Gepäckraumleuchte und Heckklappenschalter ausbauen. Linke Verkleidung abziehen. Kabel ausbauen. Zusatzkabel Gepäckraumleuchte einbauen Kabel (1) rot/grün und braun/schwarz auf Leuchte - Doppelkabel (2) braun/schwarz auf Schalter stecken. | ![]() |
Zusatzkabel mit Serienkabel verbinden. | ![]() |
Schrauben lösen und linken Rücksitz herausnehmen. | ![]() |
Einbauhinweis: Aussparung (1) muß in Haltelasche (2) einrasten. | ![]() |
Gummitülle (1) herausziehen und an vorgesehener Stelle einschneiden. Zusatzkabel (2) durch Tülle führen. Tülle (1) wieder einsetzen. Seitenverkleidung hinten links ausbauen 51 43 000. 51 43 000
| ![]() |
Schrauben lösen. Einbauhinweis: Rosetten verbauen. | ![]() |
Bei Fahrzeugen ohne Halteschlaufe: Kappe abziehen. Schrauben lösen und Verkleidung abnehmen. | ![]() |
Bei Fahrzeugen mit Halteschlaufe: Kappe abziehen. Schrauben lösen und Verkleidung abnehmen. | ![]() |
Abdeckkappe abziehen und Schraube lösen. | ![]() |
Einbaureihenfolge: 1. Schraube 2. Buchse (Kunststoff) 3. Obergurt 4. Buchse (Kunststoff) 5. Buchse 6. Schenkelfeder 7. Scheibe 8. Buchse Achtung! Waagerechtes Ende der Schenkelfeder (6) in Bohrung der Türschwelle einführen. Anziehdrehmoment 43...48 Nm. | ![]() |
Schrauben lösen und Abdeckung ausbauen. | ![]() |
Bodenteppich vorsichtig abziehen. Abdeckung (1) hochheben und Zusatzkabel nach vorne verlegen. Ausgebaute Teile wieder anbauen, bzw. ankleben. Türverkleidung vorn abbauen 51 41 000. 51 41 000
| ![]() |
Um eine Beschädigung des Lackes durch Bohrspäne zu vermeiden und eine bessere Anzeichnungsmöglichkeit für den Montagedurchbruch zu bekommen, Kreppband im Bereich der Bohrung anbringen. Hinweis: Nach Fertigstellung des Durchbruches Kreppband vorsichtig zur Bohrung hin abziehen um mögliche Lackablösungen am Rande der Bohrung zu vermeiden. | ![]() |
Bohrung anreißen, körnen, mit 5 mm Bohrer vorbohren und auf Ø = 13 mm aufbohren. Abstand A = 21 mm. Bohrung mit Zinkstaubfarbe bestreichen. Bohrspäne absaugen. | ![]() |
Kabelbaum Leuchtdiode (1) einsetzen. Kabel (2) wie abgebildet verlegen und an Kabelhalter (3) fixieren. | ![]() |
Bei Fahrzeugen bis 9/83: Stecker (1) der Leuchtdiode in Steckgehäuse (2) von Kabelbaum Fahrertür aufstecken. Abgebaute Teile wieder anbauen. | ![]() |
Bei Fahrzeugen ab 9/83: Stecker (1) der Leuchtdiode in Steckgehäuse (2) von Kabelbaum Fahrertür aufstecken. Abgebaute Teile wieder anbauen. | ![]() |
Folgende Arbeiten bei Fahrzeugen ohne Bordcomputer: Bei Fahrzeugen bis 9/83: Zusatzkabel Signalhorn mit Serien-Kabelbaum verbinden und nach vorne verlegen. | ![]() |
Stecker (1) abziehen. Schlauchschelle (2) lockern. Schrauben (3 und 4) lösen und Luftfiltergehäuse abnehmen. | ![]() |
Blechmutter aufstecken. | ![]() |
Zusatzkabel mit Schutzkappen auf Signalhorn stecken. Signalhorn und Massekabel (1) festschrauben. Luftfiltergehäuse einbauen. | ![]() |
Bei Fahrzeugen ab 9/83: Schrauben lösen. Wasserableitblech ausheben. | ![]() |
Schrauben lösen und Halter ausbauen. | ![]() |
Signalhorn an beiliegenden Halter anbauen. Halter mit Signalhorn einbauen und zurückgebundene Steckverbindungen anschließen. Wasserableitblech wieder einbauen. | ![]() |
Folgende Arbeiten auch bei Fahrzeugen mit Bordcomputer: Scheinwerferabdeckung abnehmen. Frontklappenschalter ausbauen. | ![]() |
Zusatzkabel Frontklappenschalter entlang der vorhandenen Kabel verlegen. (Bei Fahrzeugen bis 9/83 ist das Kabel am Hauptkabelbaum zurückgebunden). | ![]() |
Stecker (1) vom Schalter abziehen und mit Zusatzkabel verbinden. Stecker (2) vom Zusatzkabel durch Bohrung führen und auf Schalter aufstecken. Schalter einbauen. Scheinwerferabdeckung einsetzen. | ![]() |
Motorraumleuchte ausbauen. Diode (1) zwischen Leitung grau/weiß und Motorraumleuchte einbauen. Motorraumleuchte wieder einbauen. | ![]() |
Bei BMW 628 CSi, 635: Halter für Diebstahlwarnanlage-Steuergerät einbauen. | ![]() |
Bei Fahrzeugen mit Bordcompter: Stecker (1-2) abziehen. Schrauben lösen und Bordcomputer- Steuergerät abnehmen. | ![]() |
Halter für Diebstahlwarnanlage-Steuergerät und Bordcomputer-Steuergerät einbauen. Hinweis: Massekabel wieder an rechte Schraube anschließen. Steckverbindung an Bordcomputer-Steuergerät anschließen. Diebstahlwarnanlage-Steuergerät einbauen. (2 Muttern mit Scheibe M 6). | ![]() |
Bei Fahrzeugen mit Bordcompter: Stecker (1) vom Zusatzkabel-Steuergerät mit zurückgebundenem Stecker (2) von Kabelbaum- Bordcomputer verbinden. | ![]() |
Zusatzkabel (1) und Zusatzkabel (2 - mit Klammern sichern) an Steuergerät anschliessen. Kabel (3- am Hauptkabelbaum oberhalb dem Steuergerät zurückgebunden) aufstecken. | ![]() |
Steckverbinder (1) trennen und Zusatzkabel (2) anschließen. Massekabel (3) am Zentral-Massepunkt anschrauben. | ![]() |
Abweichungen beim BMW M 635 CSi: Stecker abziehen. Muttern lösen und Steuergerät entfernen. Beiliegendes Steuergerät einbauen und vorhandene Stecker anschließen. | ![]() |
Stecker vom Zusatzkabelbaum Steuergerät an Steckverbindung oberhalb des SA-Steckers anschließen. | ![]() |
Bei allen Fahrzeugen: Zusatzkabel Steuergerät in Steckverbinder SA-Stecker einstecken. | ![]() |
Deckel vom Stromverteiler mit Blechschrauben (B 3,9 x 25) an Stromverteiler befestigen. Abgebaute Teile anbauen. Minuspol an Batterie anklemmen. Funktionskontrolle durchführen (Seite 65 - 508). | ![]() |
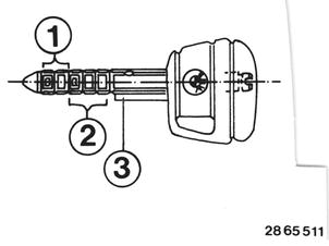
1 = Wechselcode (2 Scheiben) 2 = Besitzercode (3 Scheiben) 3 = Festmagnet | ![]() |
Besitzer- und Wechselcode einstellen. Kappe lösen. Schraube (1) zum Einstellen des Wechselcodes 3 Umdrehungen und zum Einstellen des Besitzercodes 6 Umdrehungen lösen. | ![]() |
Scheiben in Pfeilrichtung schieben und in Schritten von 90° C beliebig verdrehen. Hinweis: Bei Einstellung des Wechselcodes nur die Lage der Wechselcoderinge (1) ändern. | ![]() |
Scheiben in Pfeilrichtung schieben und Führungsschraube (1) wieder festziehen. | ![]() |
Kappe aufstecken und Diebstahlwarnanlage aktivieren. Bei Abschalten der Diebstahlwarnanlage bleibt der nun eingestellte Besitzercode im Speicher der Diebstahlwarnanlage erhalten. | ![]() |
Funktionsbeschreibung: Die Diebstahlwarnanlage funktioniert ab 9/83 nur bei eingeschalteter Entriegelungssperre, das bedeutet der Fahrertürschlüssel um 90° C verdreht in waagerechter Stellung abgezogen werden muß. Durch das Einstecken des Codierschlüssels in das DWA-Schloß wird die Diebstahlwarnanlage in Betrieb gesetzt. Die Anzeigeleuchten in der Fahrertür, sowie im Fahrzeugheck brennen ca. 15 s, wenn das Fahrzeug ordnungsgemäß verschlossen und die Anlage geschärft ist, anschließend erlöschen sie. Sind während des Einschaltvorganges nicht alle Türen, sowie Front- und Heckklappe geschlossen, so wird dies durch Blinken der Leuchtdioden angezeigt. Die Anlage wird durch Wiedereinstecken des Codierschlüssels in das DWA-Schloß ausgeschaltet, dabei brennen die Anzeigeleuchten 1 bis 2 s und erlöschen dann. Bei eingeschalteter Diebstahlwarnanlage erfolgt nach jedem Öffnen von Türen, Front- oder Heckklappen, sowie einem Startversuch ein 30 s andauernder Alarm. Außerdem wird ein Starten des Motors verhindert. Die Einstellung des Codes zur Codierung des Schlüssels erfolgt durch Verdrehen der Codierscheiben (1,2) am Schlüssel. In jeder Codierscheibe sind 2 Magnete enthalten. Um ein Ausschalten der Anlage durch Unbefugte mit gleichartigem Schlüssel zu verhindern, ist der Gesamtcode in einen Besitzercode (3 Scheiben) und einen Wechselcode (2 Scheiben) aufgeteilt. Eine Änderung des Wechselcodes ist im ausgeschalteten Zustand der Diebstahlwarnanlage möglich. Die Veränderung des Besitzercodes ist nur bei stromloser Anlage (Batterie abgeklemmt) möglich. Das Abklemmen der Batterie bewirkt das Löschen des Speichers im DWA-Steuergerät. Nach dem Einstecken des neu eingestellten Schlüssels ist die Anlage neu codiert. Ein vollständig eingesteckter Schlüssel im Codierschloß wird durch einen Festmagnet an der Unterseite des Schlüsselbartes dem DWA-Steuergerät signalisiert. Erst jetzt erfolgt das Abtasten von Wechsel- und Besitzercodescheiben. | |
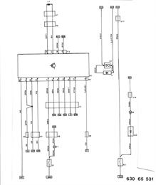
Stromlaufplan Diebstahlwarnanlage Erläuterung zum Stromlaufplan E1 Gepäckraumleuchte E2 Motorraumleuchte H1 Signalhorn N1 Steuergerät für DWA V Diode V1 Leuchtdiode S1 Schalter für Heckklappe S2 Schalter für Frontklappe 2-pol. X1 Anschluß Leuchtdiode 13-pol. X2 Steckverbindung Tür links 4-pol. X3 Anschluß DWA-Steuergerät 14-pol. X4 Anschluß DWA-Steuergerät 6-pol. X5 Stecker für SA X6*) Steckverbindung 15u Eingang X7 Steckverbindung für BC 2-pol. X8 Steckverbindung für Gepäckraumleuchte 2-pol. X9*) Steckverbindung 15u Ausgang X13 Steckverbindung ZB Leitung für Motorraumleuchte X14 Steckverbindung Kabelbaum - Teilstück vorn X17 Steckverbindung für Frontklappenschalter *) in Verbindung mit BC bleiben X 6 und X 9 unberücksichtigt. Kennzeichnung BL= blau BR = braun GE = gelb GN = grün GR = grau RT = rot SW = schwarz VI = violett WS = weiß TR = transparent | ![]() |
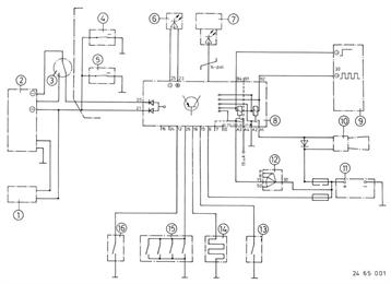
Stromlaufplan Diebstahlwarnanlage Erläuterung zum Stromlaufplan I = mit ZV II = ohne ZV 1 = Antrieb Heck 2 = ZV Steuergerät 3 = Zentralsicherung 4 = Schaltgerät Fahrertür 5 = Schaltgerät Heckklappe 6 = Kontrolldiode 7 = DWA-Schloß 8 = DWA-Zentralelektronik 9 = BC-Bedienteil 10 = Alarmhorn 11 = Batterie 12 = Zündanlaßschalter 13 = Kontakt für Gepäckraumleuchte 14 = heizbare Heckscheibe 15 = Türkontakte 16 = Motorraumkontakte | ![]() |














51 43 000






































