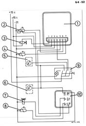
Fahrzeuge nach Modellwechsel 1982 HEIZUNGS- UND BELÜFTUNGSANLAGE AUF FUNKTION PRÜFEN Heizungs- und Verdampfertemperaturregelung ---------------------------------------------------------------------------------- Prinzipschaltbild: 1 Heizungsregler (Steuergerät) 2 Innentemperaturfühler 3 Wasserventil 4 Heizkörpertemperaturfühler 5 Heizgerät Gebläse 6 Verdampfer Gebläse 7 Klimakompressoer Kupplung 8 Verdampfertemperaturfühler 9 Klimaschalter 10 Verdampfertemperaturregler + 15 E = Spannung-Entlastungsrelais + 15 S = Spannung-Sicherung - 31 = Masse Die Heizungs- und Verdampfertemperaturregelung entspricht bei ausgeschaltetem Klimaschalter wie der zuvor beschriebenen Heizungsregelung. Bei eingeschaltetem Klimaschalter ist die Heizungsregelung sowie das Heizgerätgebläse außer Funktion. Die Ansteuerung der Klimakompressorkupplung erfolgt vom Verdampfertemperaturregler, welcher in Abhängigkeit des Verdampfertemperaturfühlers und des Heizungsreglers (Steuergerät) arbeitet. | ![]() |
Prüfplan für Heizungs- und Verdampfertemperaturregelung ---------------------------------------------------------------------------------------------------- a) Heizungsregelung Voraussetzung: Batterie voll geladen. Klimaanlage ausgeschaltet! Achtung! Meßhinweise im Prüfplan beziehen sich auf "BMW" SERVICE TEST" und geben die Multimeterfunktion (M) an. Anschlüsse siehe Bedienungsanleitung BMW SERVICE TEST. Erklärung: PP = Prüfposition *) = Siehe Technische Daten *) Siehe technische Daten
| |
b) Verdampfertemperaturregelung: Voraussetzung: Batterie voll geladen Achtung! Meßhinweise im Prüfplan beziehen sich auf "BMW SERVICE TEST" und geben die Multimeterfunktion (M) an. Anschlüsse siehe Bedienungsanleitung "BMW SERVICE TEST" Erklärung: PP = Prüfposition *) = Siehe Technische Daten |

*) Siehe technische Daten