| 
			 SCHALTER FÜR TÜRVERRIEGELUNG VORNE ERSETZEN Türverkleidung vorne ab- und anbauen 51 41 000. Acella-Folie -sowie erforderlich- lösen. Steckverbindungen aus Halteklammer lösen und trennen. Einbauhinweis: Bei den Zentralsteckern auf Arretierung achten. Steckverbindungen an Halteklammer mit Isolierband abdecken.  51 41 000 |  | 
| 
			 Gestänge aushängen. Muttern (1 ... 3) lösen und Schalter für Türverriegelung abnehmen. |  | 
| 
			 Bei Einbau eines Schalters für Türverriegelung darauf achten, daß der Stoßschalter (1) eingeschaltet ist. |  | 
| 
			 Hinweis: Bei einem Unfall wird über den Stoßschalter automatisch alles entriegelt. Die Anlage wird durch Niederdrücken des Sicherungsknopfes am Stoßschalter -zugänglich nach Öffnen des Handschuhkastens- sowie durch kräftiges Herunterdrücken des Verriegelungsknopfes (2) der Fahrertür wieder in Funktion gesetzt. |  | 
| 
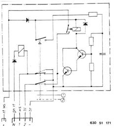
			 Schaltbild Kontaktgeber Fahrertür Erläuterung: 1 = Stellung "offen" 2 = Stellung "geschlossen" rt = rot ws = weiß gn = grün bl = blau br = braun |  | 
| 
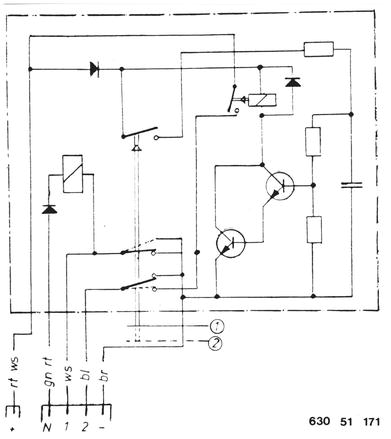
			 Polarität des Schalters für Beifahrertür und  Heckklappenverriegelung: 1 = Stellung "geschlossen" 2 = Stellung "offen" 3 = Leitungsfarbe bl = blau ws = weiß br = braun |  | 
| 
			 Fahrzeuge nach Modellwechsel 1982  SCHALTER FÜR TÜRVERRIEGELUNG (ANTRIEB) VORN LINKS ODER RECHTS ERSETZEN Linke oder rechte Verkleidung der Vordertür abbauen, siehe 51 41 000. Schrauben lösen. Stecker abziehen und Antrieb aushängen und ausbauen.  51 41 000 |  | 
| 
			 Kennzeichnung beachten. Oberteil (1) Oberteil (2) ------------------------------------------------------------------------ Fahrertür/Heck weiß rot ------------------------------------------------------------------------ Beifahrertür rot rot ------------------------------------------------------------------------- |  | 
| 
			 Einbauhinweis: 1. Drehfallenschloß in Stellung ZU. 2. Verriegelungsgestänge in Stellung ZU. 3. Antrieb in Verbindungsgestänge einhängen und mit einer Schraube Einbaulage fixieren (Schraube nicht festziehen). 4. Zweite Schraube eindrehen. Antrieb zusammendrücken (Position A), leicht nach unten ziehen (Gestängespiel), dann Schraube mit 2 Nm festziehen. 5. Die zuerst angesetzte Schraube festziehen. Siehe auch Fehlersuche ab Seite 51 - 49. |  | 







