Fahrzeuge nach Modellwechsel 1982
DROSSELKLAPPENSENSOR EINSTELLEN
Allgemeine Hinweise zur EDC
beachten, siehe 37-10.
Drosselklappenschalter prüfen:
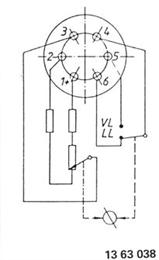
Bei geschlossener Drosselklappe muß
zwischen Anschluß 6 und 4 annähernd
0 Ohm anliegen
Bei voll geöffneter Drosselklappe muß
zwischen Anschluß 5 und 4 annähernd
0 Ohm anliegen.

1344051 - Zum Vergrößern klicken
 
Schaltbild in Leerlaufstellung gezeichnet.
LL = Leerlauf
VL = Vollast

1363038 - Zum Vergrößern klicken
 
Einstellen
Bei geschlossener Drosselklappe muß zwischen
Anschluß 6 und 4 annähernd
0 Ohm anliegen.
Einstellen durch Lockern der Schrauben (1)
und Verdrehen des Drosselklappenschalters.
Nach erfolgter Einstellung Drosselklappe
öffnen - Widerstandswert sollte
sofort auf Ohm ansteigen.
Beim Loslassen der Drosselklappe muß der
Widerstandswert wieder auf annähernd
0 Ohm abfallen.

1363004 - Zum Vergrößern klicken