| 
			 Fahrzeuge vor Modellwechsel 1982  ARM FÜR GASBETÄTIGUNG AB- UND ANBAUEN Klemmschraube vom Arm für Gasbetätigung lockern und vom Fahrfußhebel abnehmen. Einbauhinweis: Fahrfußhebelwelle nach rechts bis zum Anschlag drücken und Arm für Gasbetätigung auf Anschlag montieren. Anziehdrehmoment¹).  ¹) Siehe technische Daten |  | 
| 
			 Druckstange am Kugelgelenk aushängen. Einbauhinweis: Einstellung der Gestänge für Gasbetätigung überprüfen. Bei Vollgasstellung des Fahrfußhebels muß der Drosselklappenhebel am Vollgasanschlag anliegen. |  | 
| 
			 Druckstange für Gasbetätigung einstellen. Mit Automaticgetriebe siehe 24 00 004. Druckstange am Arm und Umlenkhebel aushängen.  24 00 004 |  | 
| 
			 A) Einspritzmotor: Voraussetzung ist, Motor hat Betriebstemperatur. Bei abgestelltem Motor Gaspedal gegen Vollgasanschlag drücken - bei Automatic Modell Vollgasanschlag durchgedrückt -. Jetzt muß der Betätigungshebel (1) am Anschlag (2) anliegen. Eine Korrektur erfolgt durch Verdrehen der Kugelpfannen der Druckstange. |  | 
| 
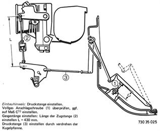
			 Anordnung der Fahrfußhabelbetätigung: Einspritzmotor Einbauhinweis: Druckstange einstellen. Vollgas Anschlagschraube (1) überprüfen, ggf. auf Maß C¹) einstellen. Gasgestänge einstellen: Länge der Zugstange (2) einstellen L = 430 mm. Druckstange (3) einstellen durch verdrehen der Kugelpfanne.  ¹) Siehe technische Daten |  | 
| 
			 B) Vergasermotor: Voraussetzung ist, Motor hat Betriebstemperatur. Bei abgestelltem Motor Gaspedal gegen Vollgasanschlag drücken - bei Automatic-Modell Vollgasanschlag durchgedrückt -. Jetzt muß der Betätigungshebel (1) am Anschlag (2) anliegen. Eine Korrektur erfolgt durch Verdrehen der Kugelpfanne an der Druckstange. |  | 
| 
			 Anordnung der Fahrfußhebelbetätigung: Vergasermotor Einbauhinweis: Druckstange einstellen. Vollgas Anschlagschraube (1) überprüfen, ggf. auf Maß C¹) einstellen. Gasgestänge einstellen: Länge der Zugstange (2) einstellen L = 275 mm. Druckstange (3) einstellen durch verdrehen der Kugelpfanne.  ¹) Siehe technische Daten |  | 







