| 
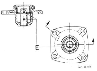
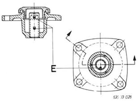
			 Fahrzeuge vor Modellwechsel 1982  DICHTUNG FÜR SCHAULOCHDECKEL ERSETZEN Ist das Hinterachsgetriebe stark ölundicht, kann die Ursache ein falsch eingepreßtes Entlüftungsrohr sein. Schaulochdeckel ausbauen. Einbauhinweis: Anziehdrehmoment¹).  ¹) Siehe technische Daten |  | 
| 
			 Die Entlüftungsbohrungen (E) müssen im rechten Winkel zum Tellerrand zeigen. |  | 







