Fahrzeuge nach Modellwechsel 1982
FEHLERSUCHE AN DER HYDROLENKUNG

 
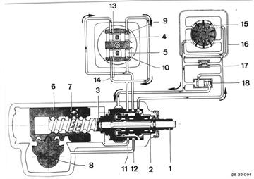
Bauweise und Funktion der Kugelmutter-Hydrolenkung
Im Gehäuse sind ein komplettes mechanisches Lenkgetriebe, das Steuerventil und der
Arbeitszylinder enthalten. Die Lenkspindel (1) ist über einen Drehstab (2) elastisch mit
der Schnecke (3) und spielfrei mit dem Ventilkolben (4 und 5) verbunden. Die Ventilkolben
sind im Schneckenkopf querliegend eingebaut. Die Verbindung zwischen dem
Kolben (6) und der Schnecke (3) erfolgt mit einer endlosen Kugelkette. Beim Drehen
der Schnecke werden die Kugeln an dem einen Ende der Kette von einem Umlaufrohr (7)
aufgenommen und dem anderen Ende wieder zugeführt. Der Kolben (6) und die Segmentwelle
(8) stehen im Zahneingriff. Die besondere Zahnform der Segmentwelle ermöglicht
eine spielfreie Einstellung mit einer Stellschrauben.
Lenkrad in Neutralstellung:
Der Ölfluß erfolgt von der Flügelpumpe in den Schneckenkopf, durch die Einlaßnuten
(9 und 10) zu den Radialnuten (11 und 12). Von dort über Verbindungsbohrungen zum
rechten und linken Zylinderraum und über die geöffneten Rücklaufnuten (13 und 14)
zurück zum Ölbehälter. Das Ventil ist zusätzlich im Querschnitt dargestellt.
Der von der Pumpe geförderte Ölstrom duchfließt in Neutralstellung der Ventile (4 und 5)
die Lenkung und hat über die geöffneten Zu- und Rücklaufsteuerkanten freien Zugang
zum Zylinderraum und Rücklauf. Die hydraulische Unterstützung setzt ein, wenn die
Ventilkolben (4 und 5) aus der Neutrallage verstellt werden. Dies geschieht, wenn vom
Lenkrad oder vom Lenkstockhebel über Segmentwelle und Kolben Kraft auf die Schnecke
übertragen wird. Der Drehstab (2) wirkt dabei als Bindeglied. Er verformt sich im elastischen
Bereich und bringt die Ventilkolben nach Loslassen des Lenkrades wieder in die
Neutralstellung zurück. Durch Verstellen der Ventile (4 und 5) wird er Ölstrom nur noch
in einen Arbeitszylinderraum geleitet und somit die Drehbewegung der Lenkspindel unterstützt
bzw. einem Fahrbahnstoß entgegenwirkt.
15 = Pumpe
16 = Ölbehälter
17 = Überdruckvenil
18 = Regelventil

2832094 - Zum Vergrößern klicken
 
Lenkrad im Uhrzeigersinn gedreht:
Der Ventilkolben (4) ist nach rechts verstellt und die Einlaßnut (9) geöffnet. Der Ventilkolben
(5) ist nach links verstellt und die Einlaßnut (10) geschlossen. Dadurch gelangt
das Drucköl in den rechten Zylinderraum. Das Öl im linken Zylinderraum wird verdrängt
und fließt zum Ölbehälter zurück.

2832092 - Zum Vergrößern klicken
 
Lenkrad entgegen Uhrzeigersinn gedreht:
Der Ventilkolben (5) ist nach rechts verstellt und die Einlaßnut (10) geöffnet. Der Ventilkolben
(4) ist nach links verstellt und die Einlaßnut (9) geschlossen. Das Drucköl gelangt
in den linken Zylinderraum. Das Öl im rechten Zylinderraum wird verdrängt und fließt
zum Ölbehälter zurück.

2832093 - Zum Vergrößern klicken