KUPPLUNG AUS- UND EINBAUEN Kupplung im eingebauten Zustand auf Verschleiß prüfen: Läßt sich die Prüflehre 21 2 060 bis zum Anschlag in die Öffnung des Nehmerzylinders einführen, sind die Beläge in Ordnung. | |
Bei einem Spalt von (A) 5 mm zwischen Prüflehre 21 2 060 und Nehmerzylinder ist die Mitnehmerscheibe verschlissen und muß ausgetauscht werden. | |
Kupplungsgehäuse ausbauen 21 11 000. Planlaufabweichung der Tellerfederspitzen¹) prüfen. Mit Halter 11 2 160 Schwungrad blockieren. Befestigungsschrauben nacheinander 1 bis 1 1/2 Umdrehungen lösen bis Kupplung entspannt ist. Befestigungsschrauben, Kupplung und Mitnehmerscheibe abnehmen. Achtung! Kupplung nicht werfen oder fallen lassen. Bei unsachgemäßer Behandlung können die drei Tangential-Blattfedern, die die Kupplung in Drehrichtung halten, abknicken. Dann gibt zwar die Tellerfeder den Abhub frei, aber durch die erlahmten Blattfedern hebt der Druckring nicht genügend weit ab und die Mitnehmerscheibe wird nicht frei. ¹) Siehe technsiche Daten
| |
Mitnehmerscheibe auf Verschleiß¹) (A), Risse und Torsionsdämpfer auf festen Sitz der Federelemente prüfen. Einbauhinweis: Kupplungsseite beachten. ¹) Siehe technische Daten
| |
Einbauhinweis: Nadellager bzw. Rillenkugellager in der Kurbelwelle auf Leichtgängigkeit überprüfen ggf. ersetzen. Schwungrad auf Riefen prüfen. Mitnehmerscheibe im Schwungrad mit Zentrierdorn 21 2 100 zentrieren. | |
Sichtprüfung der Kupplung auf Risse, Verschleiß und Brandstellen. Druckfläche muß plan sein. | |
Sichtprüfung der Nietverbindungen auf Verschleiß und festen Sitz. Kupplung mit lockeren bzw. verschlissenen Nietköpfen austauschen. | |
Kupplung in die Paßstifte setzen. Befestigungsschrauben nacheinander gleichmäßig bis zum vorgeschriebenen Drehmoment¹) anziehen. Einbauhinweis: Keilnuten der Getriebeantriebswelle mit Molykote Longterm 2 leicht fetten. ¹) Anziehdrehmoment siehe technische Daten
| |
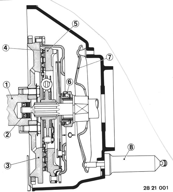
Anordnung Kupplung 1 Kurbelwelle 2 Nadellager bzw. Rillenkugellager 3 Schwungrad 4 Mitnehmerscheibe BMW 630CS, 633CSi Fichtel & Sachs 240 PSD 5 Druckplatte MF 240 K BMW 630CSi Fichtel & Sachs Nr. 3082 007 303 Farkbpunkt grün BMW 633CSi Fichtel & Sachs Nr. 3082 007 306 ohne Farbpunkt BMW 635CSi Fichtel & Sachs Nr. 3082 007 308 Farbpunkt braun 6 Ausrücker BMW 630CS, 633CSi, 635CSi Fichtel & Sachs Nr. 3151 035 201 C = 25,5 ± 0,25 mm 7 Ausrückhebel 8 Kupplungsnehmerzylinder | ![]() |
Fahrzeuge nach Modellwechsel 1982 Kupplung im eingebauten Zustand auf Verschleiß prüfen: Läßt sich die Prüflehre 21 2 060 bis zum Anschlag in die Öffnung des Nehmerzylinders einführen, sind die Beläge in Ordnung. | ![]() |
Bei einem Spalt von 5 mm zwischen Prüflehre 21 2 060 und Nehmerzylinder ist die Mitnehmerscheibe verschlissen und muß ausgetauscht werden. | ![]() |
Getriebe ausbauen 23 00 022. Planlaufabweichung der Tellerfederspitzen *) prüfen. Mit Halter 11 2 160 Schwungrad blockieren. Befestigungsschrauben nacheinander 1 ... 1 1/2 Umdrehungen lösen, bis Kupplung entspannt ist. Befestigungsschrauben, Kupplung und Mitnehmerscheibe abnehmen. Achtung! Kupplung nicht werfen oder fallen lassen. Bei unsachgemäßer Behandlung können die drei Tangential-Blattfedern, die die Kupplung in Drehrichtung halten, abknicken. Dann gibt zwar die Tellerfeder den Abhub frei, aber durch die erlahmten Blattfedern hebt der Druckring nicht genügend weit ab und die Mitnehmerscheibe wird nicht frei. *) Siehe Technische Daten 23 00 022
| ![]() |
Mitnehmerscheibe auf Verschleiß *) (A), Risse und Torrosionsdämpfer auf festen Sitz der Federelemente prüfen. Achtung! Einbauhinweis: Markierung - Getriebeseite - an der Mitnehmerscheibe beachten. *) Siehe Technische Daten | ![]() |
Einbauhinweis: Rillenkugellager in der Kurbelwelle auf Leichtgängigkeit überprüfen, ggf. ersetzen, Schwungrad auf Riefen prüfen. Mitnehmerscheibe im Schwungrad mit Zentrierdorn 21 2 100 zentrieren. | ![]() |
Sichtprüfung der Kupplung auf Risse, Verschleiß und Brandstellen. Druckfläche muß plan sein. | ![]() |
Sichtprüfung der Nietverbindungen auf Verschleiß und festen Sitz. Kupplung mit lockeren bzw. verschlissenen Nietknöpfen austauschen. Achtung! Bei Einbau einer neuen Kupplung Korrosionsschutzmittel restlos entfernen. | ![]() |
Kupplung in die Paßstifte setzen. Befestigungsschrauben nacheinander gleichmäßig bis zum vorgeschriebenen Drehmoment *) anziehen. Einbauhinweis: Keilnuten der Getriebeantriebswelle mit Molykote Longterm 2 leicht fetten. *) Siehe Technische Daten
| ![]() |
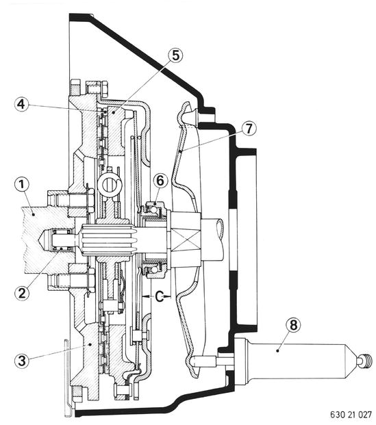
Anordnung Kupplung: 1 Kurbelwelle 2 Rillenkugellager 3 Schwungrad 4 Mitnehmerscheibe *) 5 Druckplatte *) 6 Ausrücker *) 7 Ausrückhebel 8 Kupplungsnehmerzylinder *) Siehe Technische Daten | ![]() |
¹) Siehe technsiche Daten








