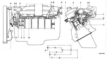
Fahrzeuge nach Modellwechsel 1982
628 CSi/635 CSI
Kreislauf bei geschlossenem Thermostat
Kreislauf bei geöffnetem Thermostat
1 Wasserpumpe
2 Kurbelgehäuse
3 Zylinderkopf
4 Thermostatgehäuse
5 Thermostat
6 Eintritt Kühler
7 Austritt Kühler
8 Zur Wasserpumpe
9 Zum Wärmetauscher (Wagenheizung)
10 Vom Wärmetauscher
11 Vom Ausgleichbehälter

73017033 - Zum Vergrößern klicken