STEUERGERÄT FÜR TRANSISTORZÜNDUNG PRÜFEN Achtung! Alle Arbeiten an der kontaktlosen Transistor-Spulenzündanlage nur bei stehendem Modor und ausgeschalteter Zündung durchführen, Lebensgefahr! BMW Service-Tester anschließen. Bei eingeschalteter Zündung muß die Anzeige unter 2,0 Volt sein. Werden mehr als 2,0 Volt angezeigt, ist das Steuergerät defekt. Ist keine Schließwinkelanzeige vorhanden, muß der Impulsgeber geprüft werden 12 11 151. 12 11 151
| ![]() |
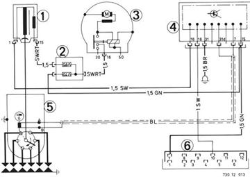
Schaltplan - Transistorzündung 1 Zündspule 2 Vorwiderstände 3 Anlasser 4 Steuergerät 5 Zündverteiler 6 Mehrfachstecker Stromverteiler (Motorkabelbaum) | ![]() |
12 11 151
